产品说明
本产品为专配QGDC系列打壳气缸的二位四通气控阀,主要用于安装QG-1DC系列磁吸式打壳气缸,整个气控阀上没有安装进气口,阀体全体采用铝合金材质, 阀体上部带有钢制护罩排气口,阀体内部密封全部采用耐高温材质密封圈,阀芯可单独拆换维修,订货名称为 打壳气缸换向阀或打壳气缸高温阀。
订购码

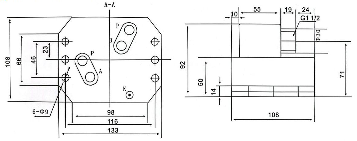
外形尺寸

电解铝设备生产厂家
技术参数


产品说明本产品为专配QGDC系列打壳气缸的二位四通气控阀,主要用于安装QG-1DC系列磁吸式打壳气缸,整个气控阀上没有安装进气口,阀体全体采用铝合金材质, 阀体
产品说明
本产品为专配QGDC系列打壳气缸的二位四通气控阀,主要用于安装QG-1DC系列磁吸式打壳气缸,整个气控阀上没有安装进气口,阀体全体采用铝合金材质, 阀体上部带有钢制护罩排气口,阀体内部密封全部采用耐高温材质密封圈,阀芯可单独拆换维修,订货名称为 打壳气缸换向阀或打壳气缸高温阀。
订购码

外形尺寸

电解铝设备生产厂家
技术参数

上一条
老式系列打壳气缸换向阀下一条
QGDC电解槽打壳气缸发送询盘
推荐产品